產品分類一覽
一套完整的氣力輸送系統需要有那些設備?
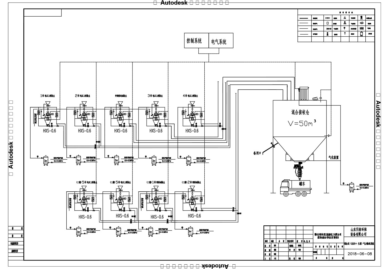
都包涵什么設備?其實包涵的設備很多,器材更多,【廣州★南創】就拿一案例來給大家解釋一下氣力輸送所包涵的所有設備讓大家對和的構成有一個完整的認知。
氣力輸送案例:
公司類型:
化工型冶煉公司擴建電石項目
此案例是做為電石粉塵除塵設計的氣力輸送系統
分別有五種不同的塵灰合計160噸左右/日需輸送到接受艙內由罐車運出
氣力輸送設備:
要完成如此復雜的氣力輸送系統所需要的氣力輸送設備就更加復雜,由于只是說一下氣力輸送所包含的設備就簡單的概括一下
1.發送系統
手動檢修閥、軟連接、氣動進料閥、氣動排氣閥、氣動排料閥、倉泵進氣閥組、補氣閥組
2.儲罐
3.管道部分
各種型號的無縫鋼管包涵 主氣路鋼管 輸送鋼管 補氣鋼管 儀表氣力鋼管 脈沖氣路管 廢棄管道 氣化用主、支管 耐磨彎管
4.安裝于輸送管道上氣動分路閥
6.管道助吹器
7. 接受料倉
8、 料倉倉頂
9、真空壓力釋放閥
10、倉底流化裝置
11、 手動檢修閥
12、
13、集中灰倉卸灰吸塵器
14、脈沖用儲罐
15、干灰散裝
16.
等等大約15大類,幾百個小類,上千種不同規格型號的氣力輸送設備組成。所以說氣力輸送系統是一個精細的整體工程,也是計算、測量與設計的結晶,沒有完善的設計會帶來一些多余的氣力輸送設備的成本和運營成本,
【廣州★南創】是一家專注于氣力輸送的公司,服務范圍包括氣力輸送系統的設計與施工,氣力輸送設備的生產與研發,如今【廣州★南創】的身影已經越來越多的出現在多個國內大大小小的氣力輸送施工現場,滿足多個公司的輸送要求,獲得了多個客戶的認可與支持!
上一篇:氣力輸送工程現場照片
下一篇:氣力輸送簡單的分類你知道多少?
